Przełącznik SMD kupić – uczciwe recenzje TOP produktów i mikroprzełączniki SMD z AliExpress * Recenzje / Opinie
Przełącznik smd AliExpress
Przełącznik SMD i LSI w praktyce domowego majsterkowicza
Przełącznik SMD pojawił się u mnie nieprzypadkowo. Mam 37 lat, z zawodu jestem technikiem utrzymania ruchu, a po godzinach… cóż, dłubię w elektronice jak inni w ogrodzie. Naprawiam piloty, modernizuję oświetlenie LED, składam drobne sterowniki do domu. W pewnym momencie skończyły mi się zapasy, a że AliExpress od dawna traktuję jak hurtownię pod ręką, sięgnąłem po Top przełącznik SMD z list sprzedażowych. Czemu tak obszerna recenzja? Bo sam zawsze szukam frazy „przełącznik smd opinie” i rzadko znajduję coś od kogoś, kto naprawdę lutował te elementy, a nie tylko je rozpakował.
![]() |
![]() |
![]() |
![]() |
Przełącznik SMD 4x4x1,5 mm – recenzje mikroklasyka
Ten przełącznik SMD kupić postanowiłem jako pierwszy, bo to absolutny klasyk: 4x4x1,5 mm, 4 piny, miedziana głowica. Idealny do pilotów i małych płytek. Paczka przyszła po około 12 dniach, zwykły woreczek antystatyczny, bez fajerwerków.
W praktyce? Klik jest wyraźny, sprężysty. Przełącznik smd opinie z Ali nie kłamały – czuć jakość. Lutowanie hot-airem to czysta przyjemność, pady równe, cynują się szybko. Użyłem ich przy naprawie pilota do bramy (ten moment, gdy działa za pierwszym razem… bezcenny).
Plusy: powtarzalność, niski profil, cena niższa niż w polskich sklepach (około 3x). Minusy? Dla osób z grubszymi palcami – bardzo małe, łatwo zgubić jeden na dywanie (sprawdzone boleśnie). Oczekiwania spełnione w 100%. To jeden z tych przełączników smd, które zawsze warto mieć w szufladzie.
0,99 $![]() |
![]() |
![]() |
![]() |
Mini przełącznik SMD 2x3x0,6 – cienki jak kartka
Ten model zainteresował mnie ekstremalnie niskim profilem. Przełącznik SMD recenzje często wspominają, że cienkie urządzenia to wyzwanie – i tu mamy odpowiedź. 2x3x0,6 mm, 4 piny, typ tact.
Użyłem go w lampce LED do szafki kuchennej, gdzie każdy milimetr miał znaczenie. Klik jest delikatniejszy niż w większych modelach, ale wyczuwalny. Lutowanie wymaga precyzji – polecam pęsetę i spokojny oddech.
Cena? Grosze przy zakupie 50 sztuk. W porównaniu z analogami z TME – śmiesznie tanio. Minus: mniejsza trwałość mechaniczna, nie polecam do często używanych przycisków. Ale jako przełącznik smd kupić do projektów low-profile? Jak najbardziej.
0,99 $![]() |
![]() |
![]() |
![]() |
Przełącznik SMD 6x6x4,3 mm – solidny zawodnik
To już cięższa artyleria. 6x6 mm, różne wysokości trzpienia – wziąłem 7 mm. Przełącznik smd opinie zachwalały „klik” i… mają rację. Ten dźwięk. Ten opór. Poezja.
Zamontowałem go w sterowniku do oświetlenia warsztatowego. Pracuje w kurzu, w rękawicach – zero problemu. Plusy: trwałość, wyraźny skok, łatwy montaż. Minus: zajmuje sporo miejsca na PCB.
Cena nadal niższa niż lokalnie. To Top przełącznik SMD do zastosowań „na serio”.
0,99 $![]() |
![]() |
![]() |
![]() |
Zestaw przełączników SMD 3x6 / 4x4 – opinie z życia
Ten zestaw to miks rozmiarów. Kupiłem go „na zapas” i to była dobra decyzja. Przełącznik smd recenzje często pomijają takie zestawy, a szkoda.
Używałem ich przy renowacji starego radia kuchennego. Każdy rozmiar znalazł swoje miejsce. Jakość nierówna – 3x6 lepsze niż 4x4, ale nadal akceptowalne.
Plus: uniwersalność. Minus: brak selekcji jakościowej. Cena? Bardzo dobra. Do nauki i eksperymentów – przełącznik smd kupić bez wahania.
0,99 $![]() |
![]() |
![]() |
![]() |
Przełącznik boczny SMD 3x4x2 mm – nietypowy, ale sprytny
Boczny przełącznik SMD to coś, czego długo szukałem. Idealny do obudów, gdzie nacisk idzie z boku. Zastosowałem go w małym powerbanku DIY.
Klik boczny, pewny, sprężysty. Lutowanie trochę trudniejsze – trzeba uważać na orientację. Plusy: ergonomia, nietypowe zastosowania. Minus: trudniej dostępny w Polsce.
Przełącznik smd opinie? Bardzo dobre – i ja je potwierdzam.
0,99 $![]() |
![]() |
![]() |
![]() |
Przełącznik SMD DIP 2,54 mm – klasyka konfiguracji
DIP-y w wersji SMD to świetna sprawa. Ten zestaw 20 sztuk wykorzystałem do adresowania modułów.
Przełącznik smd recenzje często chwalą czytelność pozycji – tutaj faktycznie jest OK. Klik twardy, nie przestawia się sam.
Minus: wysokość. Plus: funkcjonalność. Cena znów na korzyść AliExpress. Przełącznik smd kupić do projektów konfiguracyjnych – zdecydowanie tak.
0,99 $![]() |
![]() |
![]() |
![]() |
Suwakowy przełącznik SMD MST-22D18 – precyzja ruchu
Ten suwak to mój faworyt. 2-pozycyjny, niski profil, świetna kultura pracy. Zamontowałem go w testerze LED.
Ruch płynny, brak luzów. Plusy: jakość wykonania. Minus: wymaga precyzyjnego PCB.
Top przełącznik SMD w kategorii suwaków – bez dwóch zdań.
0,99 $![]() |
![]() |
![]() |
![]() |
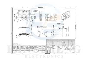
Mini przełącznik SMD 2,8x1,9x0,65 – mikroskopijny bohater
Jeszcze mniejszy niż 2x3. Użyłem go w projekcie wearables. Lutowanie pod lupą – serio.
Działa, ale to nie jest element dla początkujących. Plus: rozmiar. Minus: trudność montażu.
Przełącznik smd opinie są podzielone – ja mówię: do zadań specjalnych.
0,99 $![]() |
![]() |
![]() |
![]() |
Przełącznik SMD 4x4x1,5–5 mm – regulowana wysokość
Ten zestaw z różnymi wysokościami to złoto. Dopasujesz do każdej obudowy.
Używałem kilku wariantów w jednym projekcie. Jakość równa, klik powtarzalny. Cena? Bardzo dobra.
Przełącznik smd recenzje – pozytywne i zasłużone.
0,99 $![]() |
![]() |
![]() |
![]() |
Przełącznik SMD chwilowy – ostatni, ale nie gorszy
Klasyczny chwilowy mikroprzełącznik. Bez niespodzianek, ale solidny.
Użyty w dzwonku bezprzewodowym. Działa, nie zacina się. Czasem właśnie o to chodzi.
3,18 $Przełącznik SMD – czy warto kupić cały TOP?
Po tych zakupach mogę powiedzieć jedno: przełącznik smd z AliExpress to temat, którego się nie boję. Większość produktów spełniła, a nawet przebiła oczekiwania. Tak, polecam. Tak, planuję zamówić kolejne – i dla siebie, i dla znajomych. Jeśli zastanawiasz się, czy przełącznik smd kupić z AliExpress… zaufaj doświadczeniu. Ja już swoje przelutowałem.
Tag
Przełącznik smd, przełącznik smd kupić, przełącznik smd opinie, przełącznik smd recenzje, mikroprzełączniki SMD, elektronika DIY, AliExpress elektronika, komponenty SMD







































