Mostek gitarowy tremolo kupić czy nie? Recenzje i opinie – najlepsze mostki tremolo z AliExpress * Recenzje / Opinie
Mostek gitarowy tremolo AliExpress
Mostek gitarowy tremolo – opinie i recenzje TOP mostków tremolo z AliExpress
Kupno mostka gitarowego tremolo to nie jest kaprys. To decyzja. Mam 38 lat, od ponad 20 gram w zespołach coverowych i studyjnych, dłubię przy gitarach po nocach (tak, lutownica to mój zen), a ostatnio wkręciłem się w modowanie budżetowych stratów i superstratów. Chciałem sprawdzić, czy Top mostek gitarowy tremolo z AliExpress faktycznie daje radę, czy to tylko marketing. Kupiłem więc osiem różnych konstrukcji – klasyczne, podwójnie blokowane, stabilizatory – i postanowiłem napisać mostek gitarowy tremolo opinia, bo sam wiem, jak trudno znaleźć uczciwe mostek gitarowy tremolo recenzje, bez lukru i bajek.
![]() |
![]() |
![]() |
![]() |
Mostek gitarowy tremolo Wilkinson WODL1 – recenzje po kilku miesiącach grania
Ten mostek gitarowy tremolo wpadł mi w oko przez nazwę Wilkinson – marka coś znaczy. Podwójne blokowanie, 6 strun, klasyczny Floyd-style. Montaż? Bez dramatu, wszystko pasowało do korpusu superstrata. Pierwsze dive bomby i… SZOK. Strojenie trzyma lepiej, niż się spodziewałem. Brzmieniowo jest jasno, selektywnie, sustain OK. Plusy: cena vs jakość, solidny blok, precyzyjne siodełka. Minus? Fabryczne śruby mogłyby być lepsze. W tej cenie – mostek gitarowy tremolo kupić? Bez wahania.
60,72 $![]() |
![]() |
![]() |
![]() |
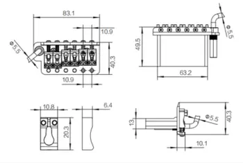
Mostek gitarowy tremolo 10,8 mm z mosiężnym blokiem – opinie praktyka
Tu skusił mnie mosiężny blok i rozstaw 10,8 mm. Ten mostek gitarowy tremolo daje wyraźnie grubszy dół i więcej masy w dźwięku. Idealny do blues-rocka i klasycznego strata. Dostawa szybka, zapakowany pancernie. Minus? Wykończenie chromu mogłoby być gładsze (mikro ryski). Ale cena jest śmiesznie niska jak na to, co dostajemy. W mojej mostek gitarowy tremolo opinii – bardzo uczciwy wybór.
79,24 $![]() |
![]() |
![]() |
![]() |
Mostek gitarowy tremolo Strat SQ ST – recenzje budżetowego klasyka
To był eksperyment. Tani mostek gitarowy tremolo do strata, bez fajerwerków. I wiecie co? Działa. Do ćwiczeń, modów, gitar „do piwnicy” – idealny. Nie trzyma stroju jak Wilkinson, ale przy delikatnym vibrato jest OK. Plusy: cena, kompatybilność. Minus: cienki blok. Czy spełnił oczekiwania? Tak, bo wiedziałem, co mostek gitarowy tremolo kupić w tym budżecie.
0,99 $![]() |
![]() |
![]() |
![]() |
Mostek gitarowy tremolo Tremsetter ESP-style – opinie po regulacji
To nie klasyczny mostek gitarowy tremolo, a stabilizator. Montowałem go do floyda. Regulacja? Trochę zabawy (i przekleństw), ale efekt… WOW. Gitara wraca do zera jak przyklejona. Idealne do nagrań. Minus: instrukcja słaba. Plus: realnie poprawia stabilność. W kontekście mostek gitarowy tremolo recenzje – game changer.
5,46 $![]() |
![]() |
![]() |
![]() |
Mostek gitarowy tremolo LP/SG Stoper – opinie gitarzysty scenicznego
Ten stoper do LP/SG to mały detal, a robi robotę. Nie zmienia brzmienia drastycznie, ale stabilność stroju rośnie. Montaż banalny. Plus: solidny metal. Minus: brak instrukcji. Jeśli ktoś używa vibrato Bigsby – mostek gitarowy tremolo opinie będą pozytywne.
34,34 $![]() |
![]() |
![]() |
Mostek gitarowy tremolo Double Shake BL-4 – recenzje z prób zespołu
Ten mostek gitarowy tremolo to ciekawostka. Double Shake działa płynnie, a efekt vibrato jest bardzo muzyczny. Idealny do eksperymentalnych rzeczy. Minus: nietypowy feel – nie każdy polubi. Plus: kreatywność. Cena? Uczciwa. To mostek dla odważnych.
45,84 $![]() |
![]() |
![]() |
![]() |
Mostek gitarowy tremolo Tremsetter FR – opinie po długim użytkowaniu
Drugi stabilizator w zestawie testowym. Ten model jest bardziej „mechaniczny”, precyzyjny. Po regulacji floyd działa jak szwajcarski zegarek. Minus: trzeba cierpliwości. Plus: scena i studio bez stresu. W Top mostek gitarowy tremolo – must have dla floydziarzy.
0,99 $![]() |
![]() |
![]() |
![]() |
Mostek gitarowy tremolo Double Lock Edge – recenzje wykończenia i brzmienia
Czarny, złoty, chrom – wygląda kozacko. Ale nie tylko. Ten mostek gitarowy tremolo brzmi jasno, agresywnie, idealny do metalu. Strojenie trzyma świetnie. Minus: twardszy feel ramienia. Plus: jakość wykonania. Gdy ktoś pyta mnie, jaki mostek gitarowy tremolo kupić do ciężkiego grania – pokazuję ten.
14,32 $Mostek gitarowy tremolo – kupić czy nie? Moja końcowa opinia
Po tych testach mogę powiedzieć jedno: mostek gitarowy tremolo z AliExpress to nie loteria, jeśli wiesz, co wybierasz. Jestem zadowolony, polecam większość tych modeli i już planuję kolejne zamówienia – jeden mostek dla siebie, drugi dla kumpla gitarzysty. Jeśli ktoś się waha, czy mostek gitarowy tremolo kupić na AliExpress – zaufajcie mojemu doświadczeniu… i nie bójcie się eksperymentów. 🎸
Tag
Mostek gitarowy tremolo, mostek tremolo do gitary elektrycznej, mostek gitarowy tremolo opinie, mostek gitarowy tremolo recenzje, mostek gitarowy tremolo kupić, mostki tremolo AliExpress, akcesoria gitarowe, części do gitary elektrycznej
Podobne recenzje
Zasilacz do pedalboardu AliExpressPokrowiec na karabin AliExpress
Niskie krzesło AliExpress





























